电涡流缓速器的应用与维护
【摘要】本文简要的介绍了电涡流缓速器的工作原理;分析了电涡流缓速器在车辆上的应用维护要点及常见故障的排除。
关键词:电涡流缓速器 应用维护
引言
电涡流缓速器是一种车辆辅助制动系统,安装于车辆传动系统中,用于车辆辅助制动。电涡流缓速器的使用可显著提高车辆运营的安全性、舒适性,降低车辆制动系统及轮胎的维修、更换成本,减轻车辆制动时的噪音及粉尘污染。
电涡流缓速器在发达国家已有几十年的应用历史,在生产、应用及维修都上积累了丰富的经验。然而,我国电涡流缓速器的应用还处于成长期,只用5、6年的历史,用户对缓速器了解还较少,在使用、维护方面经验还比较欠缺。本文将以洛阳凯迈电涡流缓速器为例,对电涡流结构、原理、使用维护要点及常见故障的排除进行简要论述,为广大司机和从事汽车维修技术工作的人员提供理论支持和技术帮助,以解决在缓速器的使用、维护及故障诊断中存在的问题。
1 电涡流缓速器的机械部分
![]() |
|
图1:电涡流缓速器组成结构
|
电涡流缓速器的机械结构如图1所示,主要有定子总成和转子总成构成。线圈、铁芯等固定在定子支架上构成定子总成;前、后转子盘通过连接法兰构成转子总成。电涡流缓速器在车辆上使用时,定子总成通过变速箱或后桥等固定在车辆大梁上;转子总成与车辆传动部分连接在一起。转子盘与定子总成的磁轭之间有1.5mm左右的气隙。当需要使用缓速器时,通过控制电路给定子总成的励磁线圈通电,产生磁场;转子总成随车辆传动部分高速旋转切割磁力线,产生反向力矩,使车辆减速。从能量守恒的角度看,使用缓速器时,车辆行驶的动能转化为热能,通过转子将热量散发出去。
2 电涡流缓速器电控部分
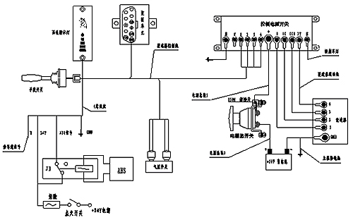
洛阳凯迈电涡流缓速器电气控制部分由气压开关、手拨开关、电源总开关、控制单元、控制电源开关、工作指示灯及线束等组成;控制原理图如图2所示。控制电源开关是控制部分的核心,采用大功率晶体管控制缓速器主机电流的通断。气压开关安装在车架上,与车辆制动系统的气路相连,是采用制动踏板控制缓速器工作的开关。手拨开关安装在驾驶室内,驾驶员可通过拨动手拨开关选择合适的档位单独使用缓速器对车辆减速。工作指示灯安装于仪表板上,用以显示缓速器的工作状态。电源总开关一般装于电瓶仓内,在检修缓速器或缓速器出现故障时可临时关闭缓速器。控制单元接受车速、ABS等车辆状态信号,判断缓速器是否符合工作条件;当车速达到一定值(一般为3~10Km/h)且ABS未工作时,缓速器即处于待命状态,此时拨动手动开关或踩制动踏板即可使缓速器工作。
![]() |
|
图2、洛阳凯迈电涡流缓速器电气原理图
|
3 电涡流缓速器的使用
只有正确的使用电涡流缓速器,才能保证电涡流正常工作,减少电涡流缓速器的故障产生。下面以洛阳凯迈电涡流缓速器为例,简要说明电涡流缓速器的操作步骤: 1) 打开点火开关启动发动机后,缓速器工作指示灯上的电源指示灯(“NF”标志指示灯)亮,此时表明缓速器的供电系统已经正常。 2) 汽车行驶后,当达到一定速度时(一般为3~10Km/h)缓速器工作指示灯上的准备灯亮,此时表明缓速器已处于待命状态。 3) 缓速器处于待命状态时,若车辆需要减速可拨动手拨开关或踩制动踏板,此时缓速器工作指示灯上的档位指示灯亮,缓速器开始工作,车辆可以平稳减速。拨动手动开关至于一定档位上,只有缓速器工作,原车辆制动系统不工作;踩制动踏板,缓速器和原车制动系统一起工作。 4) 当车辆速度降到一定值时(约3~10Km/h)缓速器停止工作,此时切记应将手拨开关复位。
在操作缓速器时要注意以下要点: 1) 当车辆需要减速时要尽量使用手拨开关,这样可以较大程度的减少原车制动系统的使用强度和频率,提高刹车蹄片和轮胎的寿命;使原车制动系统处于良好的状态,在车辆需要紧急制动时能够较好的发挥其性能,保证车辆行驶的安全性。 2) 在使用手拨开关操作缓速器时应缓慢拨动,并在每个档位下稍微停顿以下,这样可以保证缓速器制动力矩较为平稳的增加,减少缓速器工作时对车辆传动系统的冲击,提高变速器、后桥等车辆传动系统的寿命。 3) 在使用制动踏板制动时,除非紧急制动,应轻踩制动踏板。因电涡流缓速器响应速度快,轻踩制动踏板可以最大程度的发挥缓速器的作用,减少原车制动系统的磨损。 4) 在冰雪、泥泞等路面太滑的路况上行驶时,因轮胎附着力低,容易打滑,此时应谨慎使用缓速器或暂时关闭缓速器(断开缓速器的电源总开关),以免制动时车辆打滑,发生危险。 5) 当车辆在山区等行驶,需下长坡时不要将缓速器手拨开关一直置于最高档位,使缓速器持续在最高档位工作,以免因缓速器温度过高而损坏。
4 电涡流缓速器的日常维护、保养
电涡流缓速器的日常维护、保养能够减少零部件的非正常损坏,降低缓速器故障率,使缓速器保持良好的工作状态。缓速器的日常维护、保养主要有以下项目: 1) 定期清洗:缓速器工作时将车辆行驶的动能转化为热能,通过转子盘散发热量。因此,保持转子表面及散热通道的清洁是缓速器日常保养的一个重要工作;同时缓速器在工作时励磁线圈本身也会产生热量,若线圈表面的泥污较多则会影响线圈的散热,可能使线圈烧坏。在泥泞道路、冬季撒盐的道路或粉尘较多的地方行驶后应及时清洗缓速器。清洗缓速器时首先要关闭缓速器电源总开关,同时应在缓速器转子温度冷却以后进行,否则在转子高温时清洗,会导致转子变型等损坏。缓速器转子可用高压水枪冲洗,而线圈及电器接头只能用低压水枪清洗。在清洗时不能使用腐蚀性清洗剂。 2) 检查安装缓速器的变速箱或后桥是否漏油,若漏油要及时修理; 3) 检查缓速器安装螺栓是否松动,若松动,应及时按规定力矩重新拧紧,否则可能造成缓速器转子和定子摩擦; 4)检查缓速器转子的轴向窜动。由于缓速器转子和定子之间只有1.5mm左右的气隙,若安装缓速器的变速箱或后桥窜动量过大,很容易造成转子和定子之间的摩擦,使缓速器损坏。缓速器轴向窜动的检查方法是用螺丝刀或撬棍插入缓速器转子和定子之间的气隙中,并用力撬动,如果感觉缓速器轴向窜动较大,要尽快维修变速箱或后桥; 5) 检查缓速器线束接头是否接触良好,若松动应重新插接或拧紧螺栓; 6) 检查缓速器线束绝缘及缓速器周围的线束隔热防护是否破坏。上述缓速器日常维护、保养项目的周期可参考缓速器厂家使用手册,此处不再赘述。
5 缓速器常见故障的诊断和排除
电涡流缓速器的常见故障可分为电气故障和机械故障两部分。
一、常见电气故障: 1)故障现象:车辆启动后电源指示灯亮,车速达到较高值(大于3~10Km/h)时准备灯仍不亮,拨动手拨开关或踩制动踏板缓速器不工作故障原因:此类故障多为车速里程传感器损坏或通往控制单元的车速信号线断路,致使控制单元检测不到车速信号。故障排除:检查里程传感器是否损坏、信号线是否断路,若损坏或断路则更换传感器或修复线路。 2)故障现象:车辆静止时缓速器工作指示灯上亮。故障原因:控制电源开关的功率管击穿,控制电源开关损坏。故障排除:更换控制电源开关。 3)故障现象:当用制动踏板操作缓速器时,松开制动踏板后缓速器不能立刻断开,车辆有拖刹现象。 故障原因:气压开关损坏;制动系统气路漏气或排气不亮。 故障排除:更换气压开关;检修制动系统气路故障。 4)故障现象:缓速器工作指示灯指示正常,使用缓速器时感觉制动力较小。 故障原因:缓速器驱动线路部分断路;缓速器部分励磁线圈断路。 故障排除:检修驱动线束;更换缓速器定子。注:当缓速器发生电气故障时,若车辆正在行驶中,不便维修,可关断电源总开关,临时关闭缓速器。
二、常见机械故障:电涡流缓速器为无接触制动系统,工作时各部分无接触摩擦,若日常维护、保养完好则缓速器的机械故障率较低,但也常有一些与电涡流缓速器相关的车辆传动部件故障引起的缓速器故障,现分析如下: 1) 故障现象:车辆高速行驶时车辆抖动厉害,震动现象较严重。用撬棍或螺丝刀撬转子时发现转子窜动量较大。故障原因:变速箱(后桥)轴承损坏或凸缘锁紧螺母松动导致轴向窜动增大。故障排除:此类故障常会引起缓速器定子和转子摩擦导致缓速器损坏的严重故障,一旦发现,应立刻解决后再行使车辆。解决方法为更换轴承;拧紧凸缘锁紧螺母。 2) 故障现象:车辆行驶时振动较大或有撞击声,检查气隙未见异常。故障原因:缓速器辅助托架松动或减振垫损坏。故障排除:检修辅助托架;更换减振垫。更换减振垫时应注意保证减振垫应有3~5mm的压缩量。
6 小结 电涡流缓速器的应用极大提高了车辆的安全性,降低了车辆制动系统的及轮胎的维修、更换费用,减轻了车辆制动系统工作时对环境造成的粉尘和噪音污染。电涡流缓速器在国内还是一种新型辅助制动系统,我们要深入的了解其结构原理,掌握正确的使用方法、做好日常维护保养并能排除一些常见故障,只用这样,才能充分发挥其安全、经济、舒适、环保的特点。
1、凡本网注明“来源:www.otol-cn.com” 的所有作品,版权均属于XINGKONG.COM,未经本网授权,任何单位及个人不得转载、摘编或以其它方式使用上述作品。已经本网授权使用作品的,应在授权范围内使用,并注明“来源:www.otol-cn.com”。违反上述声明者,本网将追究其相关法律责任。
2、凡本网注明 “来源:XXX(非XINGKONG.COM)” 的作品,均转载自其它媒体,转载目的在于传递更多信息,并不代表本网赞同其观点和对其真实性负责。
3、如因作品内容、版权和其它问题需要同本网联系的,请在30日内进行。
※ 有关作品版权事宜请联系:copyright#chinabuses.com
- 陈华出任康明斯中国供应链、质量和信息技术执行总监[09-26]
- 成都客车森鹏电子共携手 绘制海外绿色交通新篇章[09-26]
- 逐鹿欧美市场 精进电动耀动2024汉诺威商用车展[09-26]
- 玉柴参加“与中国驻东盟经商参赞面对面”交流会[09-26]
- 北京祥龙公司与宁德时代签署战略合作协议[09-26]
- 媒体关注:从未势能源看中国氢能企业的全球化之路[09-25]
- 尽显“全天候”品质 欧辉BJ6105确实有点大不同 [09-25]
- 森鹏出海 领航商用车数智化转型[09-23]

