驿力科技纯电动版智能冷却系统参数配置
产品设计图

产品技术参数

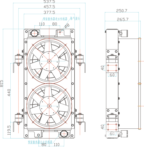
产品尺寸

注:纯电动ATS可以根据车辆信息定制
产品特点:
ECU与护风罩一体化设计,简化装配工艺,提高抗干扰性能
原创E-HOME一键回家模式, 全程无忧
原创PID温度控制策略,风机控制温度随环境温度自动调节
ECU与CAN线无缝对接,全新开发人机交互界面,无障碍通讯
气流逆转除尘,降低风扇运行载荷,保障系统冷却效率

产品技术参数

产品尺寸

注:纯电动ATS可以根据车辆信息定制
产品特点:
ECU与护风罩一体化设计,简化装配工艺,提高抗干扰性能
原创E-HOME一键回家模式, 全程无忧
原创PID温度控制策略,风机控制温度随环境温度自动调节
ECU与CAN线无缝对接,全新开发人机交互界面,无障碍通讯
气流逆转除尘,降低风扇运行载荷,保障系统冷却效率
相关文章
- 技术引领 创新赋能 驿力科技获评“江苏省企业技术中心”称号[11-08]
- “智慧”领跑商用车热交换领域 驿力科技ATS系统亮相天津[04-20]
- 新能源客车散热风扇怎么选?无刷风扇或成标配[06-02]
- 划重点!驿力科技2017年知识产权建设成绩单[12-26]
- 科普|冬季公交车智能冷却系统ATS如何保养?[11-30]
- 驿力科技:比利时世界客车展上来自中国的智能散热身影[10-31]
- 商用车散热新趋势—散热系统智能化[06-19]
- 驿力科技,十年铸就ATS智能冷却系统品牌[05-15]
- 专注商用车热交换领域 驿力科技“智慧”出击天津客车展[03-30]
- 注重发动机智能冷却系统专利保护 完善自主知识产权体系 [03-22]
- 驿力科技:“合同能源管理”助力商用车技术升级[01-09]
- 新能源商用车热交换领域哪家强?解读驿力科技ATS系统[11-01]
